单向阀、电磁阀、卸荷阀介绍及故障
01
单向阀

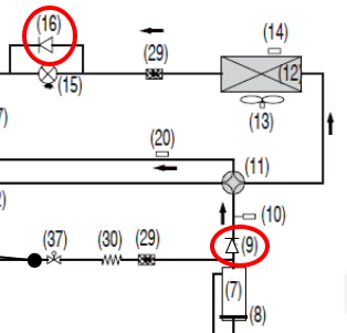
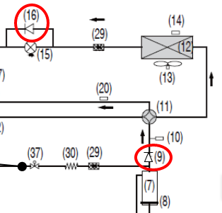
作用:在GMV5机组外机中,有三个单向阀,第一个是压缩机排气侧经过油分之后(9),作用为防止高压气体方向进入压缩机,快速平衡压缩机吸排气的压力。第二个是与室外机电子膨胀阀并联的(16),主要是让更多的制冷剂流过,控制制冷流向使用。第三个是均油管路上面的单向阀(26),作用是用于模块间的均油控制,避免反向流动。


GMV5
在GMV6机组外机中,如果机组是单压机的,只有1个单向阀,就是是压缩机排气侧经过油分之后的一个单向阀,作用为防止高压气体方向进入压缩机,快速平衡压缩机吸排气的压力。如果机组是双压机的,有3个单向阀,一个是压缩机排气侧经过油分之后的单向阀,另外两个是压缩机排气口出来就经过的,主要用于控制冷媒流向。

GMV6双压机
故障:堵塞、安装反
维修时注意:竖直放置,冷媒流向按箭头方向
02
电磁阀
作用:在GMV5机组外机中,有三个电磁阀,气旁通阀以及两个均油阀,气旁通阀避免运行压力过高或过低。均油阀用于模块间的均油控制。
在GMV6机组外机中,有过冷器电磁阀、热气除冰阀、回油电磁阀以及低温回油电磁阀。低温回油电磁阀、回油电磁阀:用于压缩机回油管路的通断控制。热气除冰阀:用于热气旁通及室外换热器底部的除霜。过冷电磁阀:用于控制系统过冷机喷焓的冷媒流向。

故障:卡死、线圈烧坏、信号线与主板接触不良。
检测:首先检查信号线是否接触不良。如果正常,则可以通过断电上电进行复位,听是否有吸合的声音,如果没有吸合声音可用万用表检测线圈阻值,如阻值无穷大或者接近0,则说明线圈有可能损坏。
注意:电磁阀本身是有方向性的。正向可以截止,反向是不截止。为了避免对阀造成太大冲击,毛细管一般安装在电磁阀前。
03
卸荷阀

卸载阀是一种机械式自控压力开关,是一种卸压(载)元件,结构上可简单地分为输入端、阀体、输出端三部分,当输入端的压力达到设定的开启值时,它自动开启阀芯,降低制冷系统高压侧的压力,当输入端的压力达到设定的关闭值时,它自动关闭。通过这样一开一闭,使制冷系统维持在一个理想的压力状态下稳定运行,大大提高空调器抗负荷能力。
作用:在GMV5机组外机中,有一个卸荷阀,在GMV6机组外机中,有两个卸荷阀。作用都是避免管路死区,导致压力过高。




